All Products

All Products

Product series name (such as deep groove ball bearing)
Product model (e.g., 6205)
Search for suffix (e.g., 2Z)
Search for an exact match phrase (e.g., "MVB")
Products
The Position : Home > Products > Power Transmission Components > Chains > Engineering Chains > Engineering Steel Bush Chain Attachments
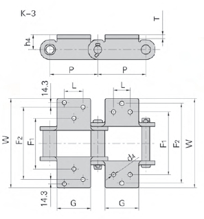
Parameter
Chain No.
S150
P(mm)
153.67
L(mm)
69.9
G(mm)
109.5
F1(mm)
190.5
F2(mm)
292.1
W(mm)
347.5
h4(mm)
47.8
d4(mm)
13.5
T(mm)
13.5
Power-Star Bearings
MVB Xiamen Power-Star Bearing Industry Co., Ltd. is among the top manufacturers and exporters of various bearings and power transmissions in China.With extensive experience, comprehensive technical resources and an effective quality control system, we consistently emphasize high-quality and circumspect service. We are devoted to technology and management innovation so as to meet different customers' demands and give you the best bearing and power transmission solutions.