All Products

All Products

Product series name (such as deep groove ball bearing)
Product model (e.g., 6205)
Search for suffix (e.g., 2Z)
Search for an exact match phrase (e.g., "MVB")
Products
The Position : Home > Products > Mounted Bearing Units > Thermoplastic Housing Bearing Units > SUCTPL200-Inch Size
SUCTPL205-16
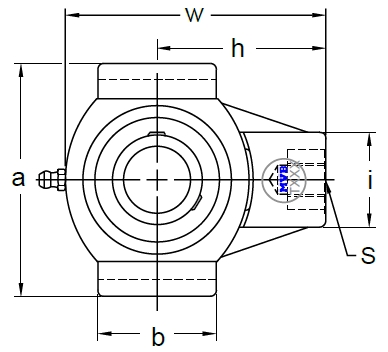
SUCTPL200 is a take - up bearing unit with a plastic housing and spherical insert bearing. It features adjustable tension, corrosion resistance, and lightweight design, suitable for conveyor systems in wet or corrosive environments.
Metral:
Adjustable take - up mechanism for belt tension control.
Plastic housing resists corrosion from moisture or chemicals.
Lightweight construction enables easy installation and maintenance.
Parameter
MVBBearingUnitNo.
SUCTPL205-16
d(in.)
1
a(in.)
3 31/64
e(in.)
2 63/64
h(in.)
2 17/32
w(in.)
3 57/64
l(in.)
61/64
k(in.)
15/32
i(in.)
1 13/32
s(in.)
M16
b(in.)
1 27/32
Bi(in.)
1.3425
n(in.)
0.563
Bearing No.
SUC205-16
Housing No.
TPL205
Weight(lbs.)
0.9
Power-Star Bearings
MVB Xiamen Power-Star Bearing Industry Co., Ltd. is among the top manufacturers and exporters of various bearings and power transmissions in China.With extensive experience, comprehensive technical resources and an effective quality control system, we consistently emphasize high-quality and circumspect service. We are devoted to technology and management innovation so as to meet different customers' demands and give you the best bearing and power transmission solutions.