Все продукты

Все продукты

Все продукты

Все продукты

Название продукционного ряда (например, шариковый подшипник с глубокими бортами)
Модель продукта (например, 6205)
Поиск суффикса (например, 2Z)
Поиск точного совпадения фразы (например: "MVB")
Товары
Положение (компании) : Главная > Товары > Монтажные блоки подшипников > Монтажные блоки подшипников из чугуна > HCP300-Inch Size
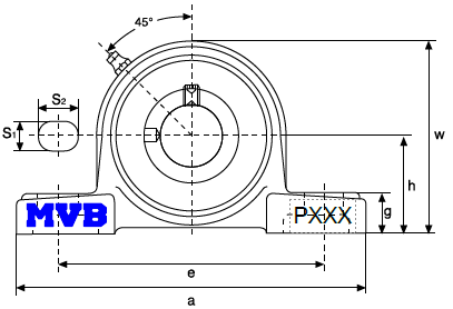
Параметр
MVBBearingUnitNo.
HCP307-21
d(in.)
1-5/16
h(in.)
2.20472440944882
a(in.)
8.26771653543307
e(in.)
6.2992125984252
b(in.)
2.20472440944882
S2(in.)
0.984251968503937
S1(in.)
0.669291338582677
g(in.)
0.78740157480315
w(in.)
4.17322834645669
B1(in.)
2.03149606299213
n(in.)
0.720472440944882
Bolt(in.)
1/2
Bearing No.
HC307-21
Housing No.
P307
Weight(Ibs.)
6.4
Подшипники Power-Star
MVB Xiamen Power - Star Bearing Industry Co., Ltd. является одним из ведущих производителей и экспортеров различных подшипников и приводных элементов в Китае. Благодаря обширному опыту, обширным техническим ресурсам и эффективной системе контроля качества, мы постоянно приделяем особое внимание высокому качеству и тщательному сервису. Мы стремимся к инновациям в области технологий и управления, чтобы удовлетворить требования различных клиентов и предложить вам наилучшие решения в области подшипников и приводных элементов.